L293D Datasheet Texas Instruments Download
L293D Datasheet
L293D Datasheet Texas Instruments Download - The L293 and L293D are quadruple high-current half-H drivers. These devices are designed to drive a wide array of inductive loads such as relays, solenoids, DC and bipolar stepping motors, as well as other high-current and high-voltage loads. All inputs are TTL compatible and tolerant up to 7 V.
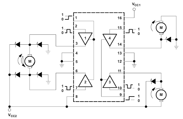
Each output is a complete totem-pole drive circuit, with a Darlington transistor sink and a pseudo-Darlington source. Drivers are enabled in pairs, with drivers 1 and 2 enabled by 1,2EN and drivers 3 and 4 enabled by 3,4EN. When an enable input is high, the associated drivers are enabled, and their outputs are active and in phase with their inputs. When the enable input is low, those drivers are disabled, and their outputs are off and in the high-impedance state. With the proper data inputs, each pair of drivers forms a full-H (or bridge) reversible drive suitable for solenoid or motor applications.
On the L293, external high-speed output clamp diodes should be used for inductive transient suppression. On the L293D, these diodes are integrated to reduce system complexity and overall system size. A V CC1 terminal, separate from V CC2 , is provided for the logic inputs to minimize device power dissipation. The L293 and L293D are characterized for operation from 0°C to 70°C.
L293D Pinout
Features L293D
- Wide Supply-Voltage Range: 4.5 V to 36 V
- Separate Input-Logic Supply
- Internal ESD Protection
- High-Noise-Immunity Inputs
- Output Current 1 A Per Channel (600 mA for L293D)
- Peak Output Current 2 A Per Channel (1.2 A for L293D)
- Output Clamp Diodes for Inductive Transient
- Suppression (L293D)
Applications
- Stepper Motor Drivers
- DC Motor Drivers
- Latching Relay Drivers
Absolute Maximum Ratings
- Supply voltage, VCC1 36 V
- Output supply voltage, VCC2 36 V
- Input voltage 7V
- Output voltage 3V
- Peak output current, I O (nonrepetitive, t ≤ 5 ms): L293 2A
- Peak output current, I O (nonrepetitive, t ≤ 100 μs): L293D 1.2A
- Continuous output current, I O : L293 1A
- Continuous output current, I O : L293D 600mA

